加入收藏
注册
登录
立即搜索
商品分类
导航
商品分类
首页
爆款专场
精品优选
品牌热卖
积分兑换
优惠券
关于我们
会员中心
购物车
0
机械设备
冷藏箱柜
空调机组
专用制冷空调设备
办公设备
多功能一体机
通用照相机
针式(票据)打印机
LED显示屏
装订机
计算器
镜头及器材
数字照相机
液晶显示器
条码扫描器
信息化设备
终端机(云桌面一体机)
防火墙
网闸
磁盘阵列
移动存储设备
便携式计算机
台式计算机
平板式计算机
计算机工作站
耳机(耳麦)
办公用品
卫生用纸制品
消毒杀菌用品(不包含药品、危险化学品)
笔
鼓粉盒
墨粉盒
喷墨盒
色带
墨水盒
颜料
文具
电气设备
蓄电池及充电装置
调湿调温机
烹调电器
电热水器
原电池和原电池组
电吹风机
室内照明灯具
饮水器
空气净化设备
吸尘器
仪器仪表
钟
表
温度仪表
压力仪表
流量仪表
物位及机械量仪表
显示及调节仪表
气动、电动单元组合仪表
基地式仪表
绘图仪
文艺设备
弓弦乐器
管乐器
打击乐器
键盘乐器
乐器辅助用品及配件
通信设备
视频会议控制台
视频会议多点控制器
视频会议会议室终端
音视频矩阵
视频会议系统及会议室音频系统
普通电话机(不包含移动电话)
文件(图文)传真机
建筑建材
身体防护
手部防护
头部防护
足部防护
高空安防用品
其他防护用品
电动工具
手动工具
气动工具
机械五金件
消防设备
消防安全检测设备
防火检查装备
消防报警机
消防员防护装备
消防产品实(试)验设备
火灾调查装备
压缩氧自救器
消防灭火装备
逃生避难设备
消防宣传装备
首页
天津市电子卖场品目
建筑建材
五金附件
商品详情
收藏
分享
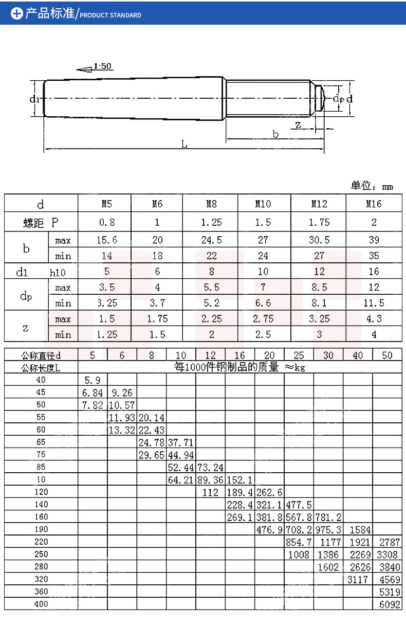
巨联(JULIAN)16*70外螺纹圆锥销
¥
14.44
市场价 ¥
18.05
货号
JHGYL11656
库存
9999
件
销量
0
件
数量
-
+
立即购买
加入购物车
推荐商品
热门商品
商品详情
商品评价 (0)
专享服务
暂无评价
暂时没有数据
返回
顶部